检索标题
智能模糊
搜索
首页
业务范围
旭彩网
新闻中心
关于我们
客户服务
公司业绩
行业标准
在线留言
补偿导线标准
GB5013-2008
GB5023-2008
GB9330-2008
JB8735-2011
JBT8734-2012
补偿导线标准
首页
>
行业标准
>
补偿导线标准
>
补偿导线标准-1
补偿导线标准-2
补偿导线标准-3
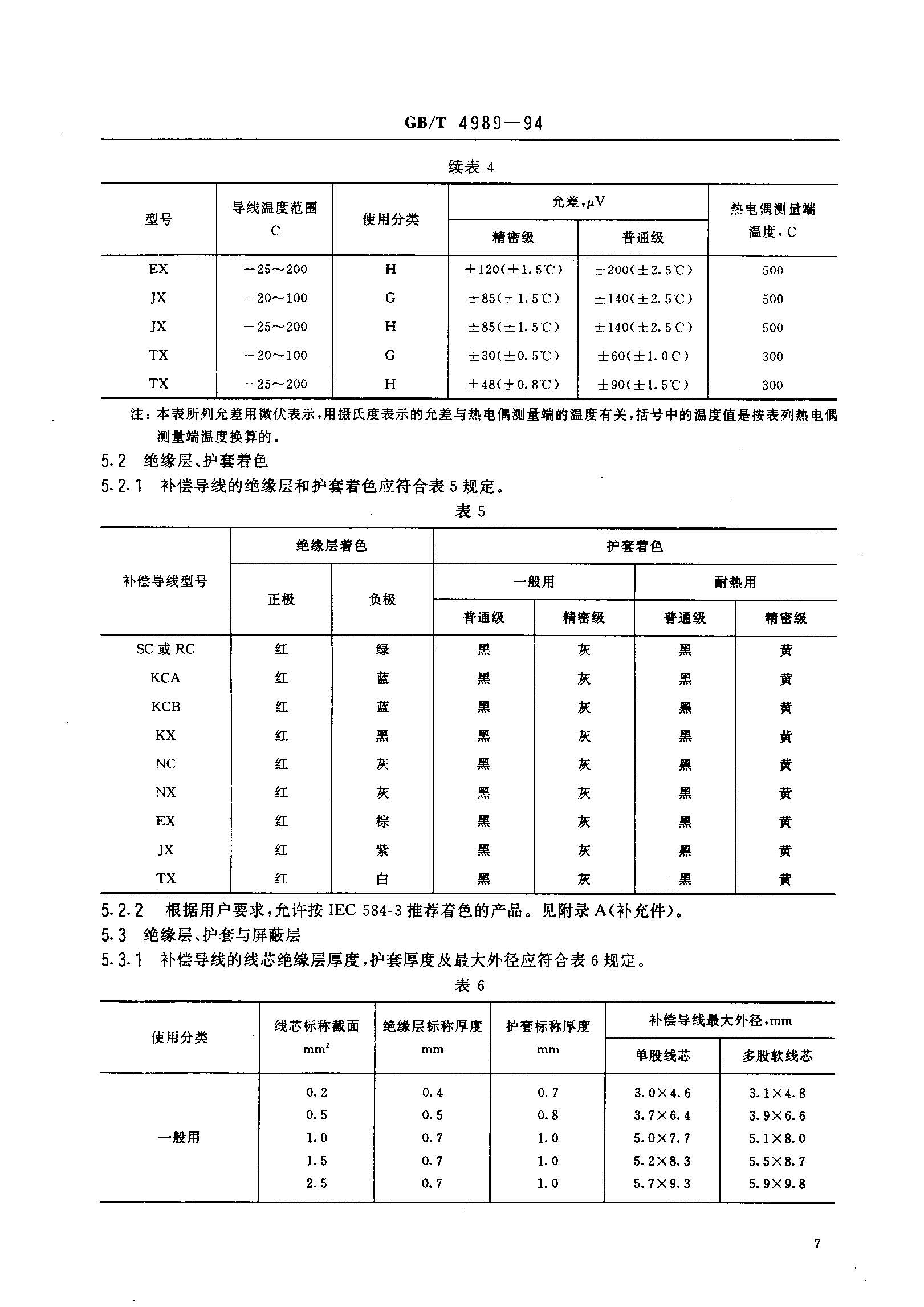
补偿导线标准-4
补偿导线标准-5
补偿导线标准-6
补偿导线标准-7
补偿导线标准-8
补偿导线标准-9
补偿导线标准-10
补偿导线标准-11
补偿导线标准-12
首页
1
2
下一页
末页
1
2
共
2
页
17
条
天康仪表
安徽远洋仪表电缆有限公司
版权所有 技术支持:
南京频海信息科技有限公司
备案号:皖ICP备10201255号-5
welcome如意彩|首页
灵蛇澳门2025年今晚看-灵蛇网4846cc-灵蛇网免费资料大全--灵蛇网4846cc最新版本更新内容-澳门灵蛇网4949
祥顺彩票|主页
天游8线路检测中心|欢迎您
澳门灵蛇网4949-香港灵蛇网论坛资料大全最新-灵蛇网4846cc最新版本更新内容-灵蛇网4668cc-灵蛇澳门2025年今晚看
五五世纪-追求健康,你我一起成长